undefined
+
  • undefined

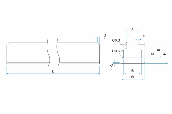
导轨

鑫磊公司地处“济南青”花岗石矿山脚下,矿产资源丰富,资源条件可谓得天独厚。公司机械加工设备齐全,电子水平仪及激光干涉仪等先进检测仪器,实现了计算机数据处理,并拥有一批高素质的敬业员工。

分类:

服务热线:

  • 产品描述
  • 鑫磊公司地处“济南青”花岗石矿山脚下,矿产资源丰富,资源条件可谓得天独厚。公司机械加工设备齐全,电子水平仪及激光干涉仪等先进检测仪器,实现了计算机数据处理,并拥有一批高素质的敬业员工。
    主要产品包括:花岗石平板、平尺、角尺、方尺、V型块、平行规、以及精密仪器设备的机械构件,如:工作台、导轨等。并可完成工作台上的钻孔、开槽、镶嵌金属件等异型加工。在产品生产、检测过程中严格执行GB/T 20428—2006 岩石平板标准和JJG117—2013平板计量检定规程,并可为国内外客户提供按不同国家标准生产的花岗石量具及花岗石机械构件产品以及主机的组装调试。

产品询价